The Housing is made of high quality acryl, the unit is easy to install and contains all the
equipment for filtration, circulation, disinfection, drainage and lighting in one compact unit.
It is also equipped with a multifunctional jet which not only makes the pool water circulate,
but also has functions for swimming trainning, massage and fun in the water.
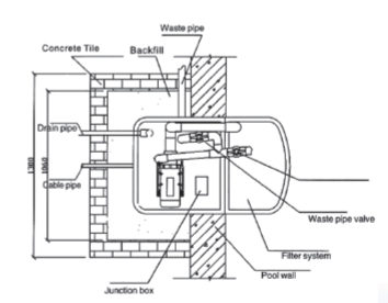
Wall Mount Filter Installation:
• Clear away any debris from the installation area, and make a datum mark before
installation.
• Place the unit in a proper position according to the installation detail drawing. Adjust the
unit with a level to make sure the tolerance is less than 2mm. Use the filler pieces to pack
the unit level. fix the packing pieces, than fill in the vacant area with grout.
• Connect drainpipe and cable pipe an shown in the installation detail drawing. The
control box must be dampproofed. Electrical, installation and testing must be done by a
licensed or certified clectrician.
• Fill in the joint between the unit and pool wall with grout when installing, and seatit with
sealant.
• After installation, fill with sand around the unit bore, Spread stones on the side of pool to
match the pool structure, record the installation notes.
• Less heavier plastic housing is easy for installation and more economic for industrial
applications.
• Cartridge media is easy to clean and can be reused


